|
CBB61调速系列
收藏
产品特点
■ 无感卷绕结构,隔离膜 Non-inductance winding structure,Segmented film ■ 自愈性能优异 Excellent self-healing performance ■ 等效串联电阻小 Small equivalent series resistance ■ 温升低 Low temperature rise ■ 性能稳定,可靠性高 Stable performance, high reliability ■ 安全,具有防火防爆保护 Safety, fire and explosion protection 典型应用Typical applications ■ 主要适用于洗衣机、空调机、电风扇、排风扇、单相水泵马达专用起动等交流电动机的起动和运行。It is mainly suitable for starting and running AC motors such as washing machine, air conditioner, electric fan, exhaust fan and single phase pump motor.
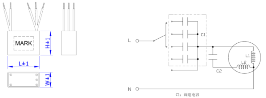
结构Structure ■ 金属化聚丙烯薄膜,隔离膜电容器 Metallized polypropylene film,Segmented film capacitors ■ 阻燃性工程塑料 V-0 Flame retardant engineering plastics V-0 ■ 阻燃性环氧树酯 V-0 Flame retardant epoxy resin V-0 ■ 引出:引线式,各种颜色的塑封电线等。Lead:plastic-sealed wires of various colors, etc 外形示意图和典型线路图Schematic and typical circuit diagrams
技术性能参数
常用规格 specifications 单位:mm
备注:如有其他电容量、尺寸及性能参数要求,请联系我们。 Remark: If there are other capacitance, size and performance parameter requirements, please contact us.
|
